Logithèque
Vue actuelle : Fiche d'un logiciel
Divers Quick MTF v2.2
Catégorie :
Licence :
Partagiciel
Editeur :
Prix :
249 €
Taille :
2.0 MB
Mis à jour :
30/09/2012
Evaluation :
(0 Votes)
Plateformes :
Vista XP
Ce logiciel a déjà été téléchargé 113 fois
Quick MTF

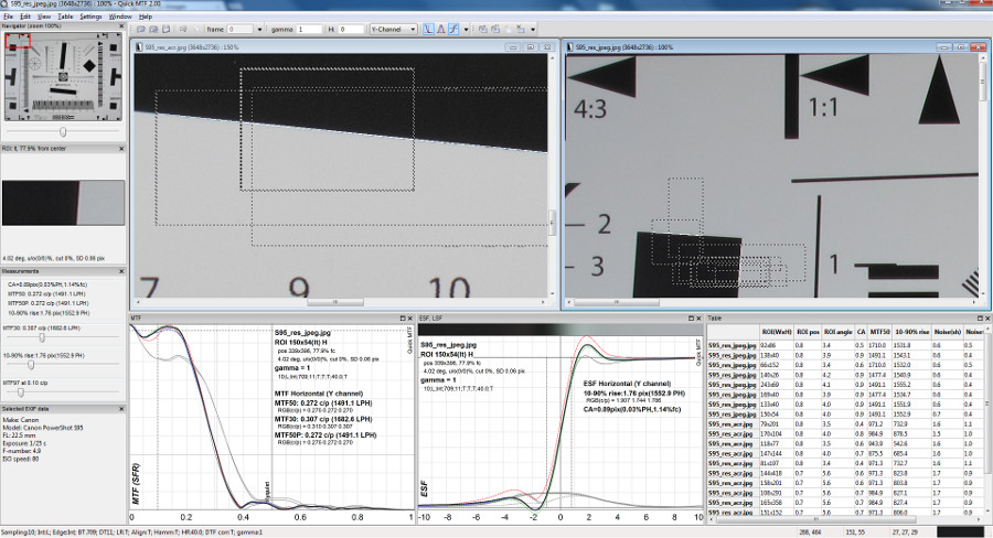
Quick MTF is high-performance software designed for measuring the most important image quality factors. Whenever you are buying a new lens, a camera, or a scanner, Quick MTF can help you make an informed decision. All you need for assessing a device's quality parameters is a picture of a simple object taken taken with that device. Why Quick MTF? * You can save all the time that you would otherwise spend on reading multiple reviews and user opinions. * As different samples of the same device model usually have somewhat different parameters, sometimes you have to check a few devices to select exactly what you need. Quick MTF lets you do that much more quickly and easily. * Image quality strongly depends on such factors as the shooting mode, the distance from the image center, the additional equipment used, and so on. Quick MTF can help you find out how exactly those factors affect the image quality. * The method implemented in Quick MTF is based on the ISO 12233 standard, so that you can test (as many Quick MTF users already do) not only camera lenses but also other imaging equipment. Quick MTF measures: * Resolution, including spatial frequency response (SFR), also known as modulation transfer function (MTF); edge spread function (ESF); and line spread function (LSF). * Chromatic aberration (CA), including area CA in pixels, CA as a percentage of the image height, and CA as a percentage of the distance from the image center * Color noise. Quick MTF combines an intuitive user interface and a powerful, high-precision computing engine. It is an all-in-one solution, so you needn't install any external components or libraries. The evaluation version of Quick MTF lets you analyze up to 40 edge profiles. Even after the evaluation period is over, you can use Quick MTF to view and analyze your old measurements.

Poster un commentaire
Gras [b]Texte[/b] Italique [i]Italique[/i] Souligné [u]Souligné[/u] Barré [strike]Barré[/strike]
Courriel [email=nobody@nobody.org]Nom[/email] Lien [url=http://www.website.com]Texte[/url] Ancre [anchor]Nom[/anchor] Image [img]http://www.website.com/image.jpg[/img] Insérer une image en provenance du site
Aligné à gauche [align=left]Texte[/align] Centré [align=center]Texte[/align] Aligné à droite [align=right]Texte[/align] Toute la largeur [align=justify]Texte[/text]
Couleur [color=#000000]Text[/color] Mise en forme [highlight=pascal]Texte[/highlight] Widgets Emoticons :code: [:code] Convertisseur HTML vers BBCode Convertisseur Word vers BBCode
Prévisualisation Vérification de l'orthographe

Copier Coller Couper Tout sélectionner
Tout effacer Insérer la date Insérer l'heure Insérer la date et heure Insérer votre IP
Liste [list=square][item]BlaBla[/item][/list] Liste Numérotée [list=decimal][item]BlaBla[/item][/list]
Citation [quote=name]Texte[/quote] Spoiler [spoiler]James est le meurtrier![/spoiler]
Tout en majuscules [uppercase]Texte[/uppercase] Tout en minuscules [lowercase]Texte[/lowercase] l33t [l33t]Je suis un nerd[/l33t] Texte en indice [sub]Texte[/sub] Texte en exposant [sup]Texte[/sup] Taille du texte [size=8]Texte[/size]






Ada
CSS
Cobol
CPP
HTML
Fortran
Java
JavaScript
Pascal
Perl
PHP
Python
SQL
VB
XML
Anon URL
DailyMotion
eBay
Flickr
FLV
Google Video
Google Maps
Metacafe
MP3
SeeqPod
Veoh
Yahoo Video
YouTube
6px
8px
10px
12px
14px
16px
18px
Informaticien.be - © 2002-2025 AkretioSPRL  - Generated via Kelare
The Akretio Network: Akretio - Freedelity - KelCommerce - Votre publicité sur informaticien.be ?